We pause this Memorial Day to honor and remember those that gave their lives in service to our country.

Our offices will close at 1 p.m. on Friday, May 22nd and reopen on Tuesday, May 26th.

000051

000051

Alt: BF 30, BF30

$15.68

Mounting Bracket/Flange, 30mm, 40x56x36mm, Base PBT Green, Upper PA Transparent, Sensor Accessory

Weight:
0.10 LBS
Minimum Purchase:
1 unit
Adding to cart… The item has been added
Description
Pepperl+Fuchs was founded in 1945 as a small radio workshop in Germany by Walter Pepperl and Ludwig Fuchs. They eventually invented the proximity switch!
 
Their products include proximity, ultrasonic and photoelectric sensors, explosion protection products, visions systems as well as connectivity and remote I/O options.
 
The U.S headquarters is located in Twinsburg, Ohio.

Features Include:

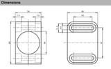
  • Inside Diameter: 30 mm
  • Dimensions: 40 mm x 56 mm x 36 mm
  • Retainer for all cylindrical sensors with M30 thread
  • Simple installation and exact setting
  • Large sensing range (max. 18 mm)

Material:

  • Base: Crastin/PBT (green)
  • Upper Section: PA (transparent)

Need More Information?